INTRODUCCION AL GRAFCET
Los primeros métodos para el desarrollo de
automatismos eran puramente intuitivos, llevados a términos por expertos y
desarrollados basándose en la experiencia.
En la actualidad se utilizan métodos más sistemáticos
con lo que no es necesario ser un experto en automatismos para llevarlos a término.
El GRAFCET es un diagrama funcional que describe los
procesos a automatizar, teniendo en cuenta las acciones a realizar, y los
procesos intermedios que provocan estas acciones.
Este método de representación es aceptado en Europa
y homologado por varios países, entre ellos Francia por la norma NFC-03-190 y
en Alemania por DIN.
REGLAS DEL GRAFCET.
Un GRAFCET está compuesto de:
·
ETAPA: define un estado en el que
se encuentra el automatismo. Las etapas de inicio se marcan con un doble
cuadrado.
·
ACCIÓN ASOCIADA: define la acción
que va a realizar la etapa, por ejemplo conectar un contactor, desconectar una
bobina, etc.
·
TRANSICIÓN : es la condición o
condiciones que, conjuntamente con la etapa anterior, hacen evolucionar el
GRAFCET de una etapa a la siguiente, por ejemplo un pulsador, un detector, un
temporizador, etc.
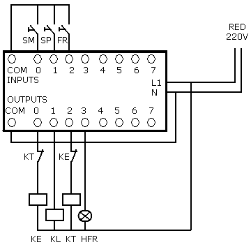
EJEMPLO: Como ejemplo práctico vamos a realizar un sencillo
arranque Estrella – Triángulo de un motor trifásico asíncrono. El ciclo de
funcionamiento se inicia con el pulsador de marcha SM que activa los contactores
de estrella y línea, para que pasado un tiempo (T0) se desconecte el estrella y
entre el triángulo. Además tendrá un relé térmico (FR) que parará la
maniobra en caso de avería y activará una luz de emergencia, y un pulsador de
paro (SP).
En el diagrama debemos valorar todas las
posibilidades de evolución del automatismo, en cada etapa las posibles
transiciones que se pueden cumplir y
como deben actuar. Debemos realizar el diagrama de tal manera que de una etapa pase a otra, considerando
que cuando paremos la maniobra, este estado también es una etapa que no
conectará nada (en nuestro caso).
El GRAFCET asociado será el siguiente.

EJERCICIOS
(1)
Realizar el GRAFCET y el esquema asociado a un inversor de giro de un
motor con las siguentes condiciones:
-
Pulsadores de paro, izquierda, derecha y relé térmico.
-
Inversión sin pasar por paro y
temporizada, o sea, al accionar cualquier pulsador para invertir el sentido se
parará el motor y luego arrancará en el sentido contrario.
-
Al accionar el paro también
temporizará antes de poder arrancar de nuevo.
Una posible solución es:
El esquema asociado será:
(2)
Dibujar el grafcet de una puerta de un
garaje que cumpla las siguientes condiciones:
-
Al accionar SAbrir sube la puerta hasta tocar Fca, una vez
pasado un tiempo la puerta bajará automáticamente hasta tocar Fcb que se parará.
-
Si la Fcel se interrumpe cuando
la puerta está arriba o ha iniciado la bajada, ésta se parará y volverá a
contar el tiempo programado para iniciar de nuevo el descenso.
-
En el caso de accionar SParo, la
puerta se detiene y no funcionará hasta que se pulse SAbrir o SCerrar.